首页
关于我们
产品中心
新闻中心
合作伙伴
联系我们
服务支持
简体中文
English
关于我们
浙江浦成电气有限公司(Zhejiang Pucheng Electric Co.Ltd)创立于2003年,位于中国电器之都——温州乐清。公司占地面积20000多平方米,建筑面积40000多平方米,公司已通过国家强制性产品CCC认证和ISO9001-2008国际质量管理体系认证。
公司简介
企业文化
资质荣誉
公司环境
发展历程
视频中心
产品中心
公司具有强大的自主研发生产信息化软件、硬件和测试工装的能力,配合完善、成熟的生产工艺技术和工艺操作规程建设,全面实现了生产信息化、自动化。
成套设备
计量箱
高压电气
电线电缆
低压电气
其他产品
新闻中心
热烈庆祝浙江浦成电气有限公司企业官网开通
公司动态
行业动态
合作伙伴
合作创造价值,互利成就未来!我们将一如继往、孜孜不倦,成为广大客商永远值得信赖的伙伴!
合作伙伴
联系我们
浦成电气—专业生产低压成套电力设备,精城始终秉持真诚关爱顾客。
人才招聘
联系我们
服务支持
专业技术团队将及时提供7×24小时的服务,训练有素且经验丰富的行业资深服务专家将为您提供最专业的服务方案以及实施最高效的现场处理。
常见问答
资料下载
服务体系
>
变压器系列 >
SC系列环氧树脂浇注干式电力变压器
SC系列环氧树脂浇注干式电力变压器
成套设备
低压成套系列
GCK型低压抽出式配电柜
GCS型低压抽出式开关柜
MNS型低压抽出式配电柜
GGD型低压开关柜
变频控制柜
高压成套系列
KYN28-12(Z)系列铠装移开式交流金属封闭开关设备
PCRM6-12全绝缘全封闭充气式环网柜
PCXGN型固体绝缘环网柜
HXGN15-12系列单元式六氟化硫环网柜
HXGN-12型固定金属封闭开关柜
XGN66-12型固定金属封闭开关柜
变压器系列
SC系列环氧树脂浇注干式电力变压器
10kV油浸式配电变压器
电缆分支箱系列
DFWK户外开闭所(电缆分支箱)
配电箱系列
JP系列综合配电箱
XL-21型低压动力配电柜
XM配电箱
GZDW系列直流电源系统
箱式变电站系列
YB系列预装式变电站欧式箱变
ZGS系列组合式变压器(美式箱变)
计量箱
国网系列
PC+ABC表箱
SMC表箱
金属表箱
南网系列
其它系列
出口系列
高压电气
户外高压真空断路器系列
LW3一次户外高压真空断路器
ZW32-12户外高压真空断路器
ZW20-12户外高压真空断路器
电线电缆
BV型铜芯聚氯乙烯绝缘电线
BVR型铜芯聚氯乙烯绝缘软电线
RVB、RVS型铜芯聚氯乙烯绝缘平型、绞型安装用软电线
BW、BLW型铜芯和铝芯聚氯乙烯绝缘聚氯乙烯护套圆型电线
BVVB、BLWB型铜芯和铝芯聚氯乙烯绝缘聚氯乙烯护套扁型电线
RVV、RWB型铜芯聚氯乙烯绝缘聚氯乙烯护套圆型、平型安装用软电线
RVVP聚氯乙烯绝缘屏蔽软电缆(电线)
控制电缆
电力电缆
交联电缆
实心聚氯乙烯绝缘射频线电缆(企业标准)
电子计算机(包括DCS系统)用对绞屏蔽控制电缆
补偿电缆
低压电气
小型断路器
塑料外壳式断路器
电能表外置断路器
其他产品
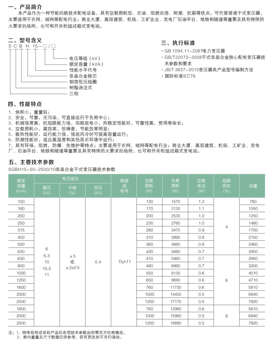
SCBH15系列非晶合金干式变压器
产品参数
首页
关于我们
公司简介
企业文化
资质荣誉
公司环境
发展历程
视频中心
产品中心
成套设备
计量箱
高压电气
电线电缆
低压电气
其他产品
新闻中心
公司动态
行业动态
合作伙伴
合作伙伴
联系我们
人才招聘
联系我们
服务支持
常见问答
资料下载
服务体系
13757754007
联系我们