ZW20-12户外交流高压真空断路器为额定电压12kV、三相交流50Hz的户外配电设 备。主要用于开断、关合电力系统中的负荷电流、过载电流及短路电流。适用于变电站及 工矿企业配电系统中作保护和控制,更适用于农村电网及频繁操作的场所。
断路器由内装有高压系统及其操动部件的主体箱、操作机构箱和供安装、固定、搬 (吊)运用的吊架三部分组成。装有真空灭弧室的断路器开断性能稳定可靠,采用环氧树脂 和硅橡胶整体浇注,尤其A、C两相的拐角套管,保证良好的外绝缘,具有无燃烧和爆炸危 险、安全、体积小、重量轻和使用寿命长等特点。断路器采用全封闭结构,箱内充以SF 6 气 体,密封性能好,有防潮、防凝露性能,适应于高温潮湿地区使用。
主要技术参数

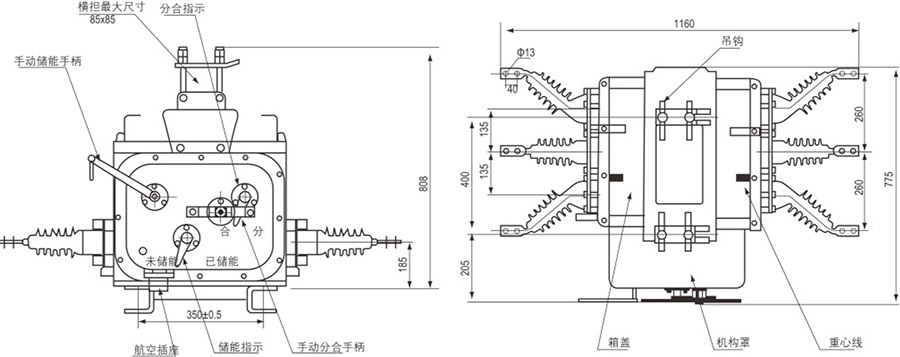
外形及安装尺寸
