合作伙伴

一、简述:
LW3-12型户外高压交流六氟化硫断路器是我公司响应国网一二次融合成套柱上开关入网新要求而开发的新一代产品,开关配置完全符合国网一二次融合成套要求,便于国网统一采购,批量化生产。本开关采用行业领先的电子式零序电压传感器,以及高精度零序电流,相电流互感器,具有测量范围宽,测量精度高,可靠性高的特点。 本断路器与馈线终端(FTU)配合使用后可实现“综合型就地自动化”功能,通过短路,接地故障监测技术,无压分闸,故障路径自适应延时来电合闸等控制逻辑,自适应多分支多联络配电网架结构实现单相接地故障的就地选线,区域定位与隔离。
二、型号定义

三、执行标准
GB 1984-2014 《高压交流断路器》
GB/T 11022-2011 《高压开关设备和控制设备标准的共用技术要求》
GB 20840.1-2010 《互感器 第1部分:通用技术要求》
GB 20840.2-2014 《互感器 第2部分:电流互感器的补充技术要求》
四、使用环境:
正常使用条件:
a.周围空气温度:-40℃~+40℃;
b.海拔高度:不超过2000m;
c.周围空气可以受到尘埃、烟、腐蚀性气体、蒸汽或盐雾的污染,污秽等级:Ⅳ级;
d.风速不超过34m/s (相当于圆柱表面上的700Pa);
e.来自开关设备和控制设备外部的振动或地动是可以忽略的;
f.在二次系统中感应的电磁干扰的幅值不超过1.10kV。
五、主要技术参数如下:

五、结构特点:
1. 断路器特点
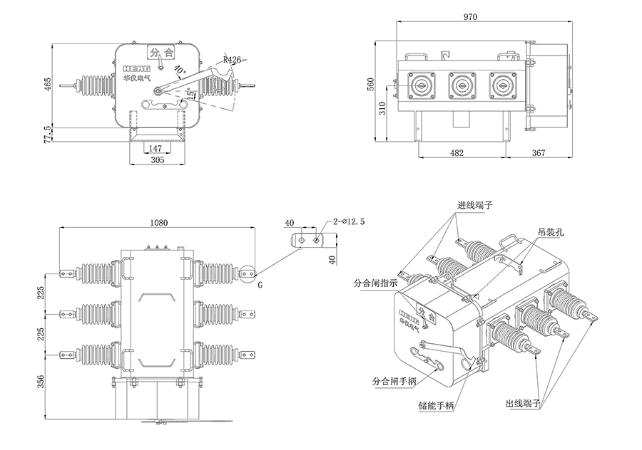
10kV柱上六氟化硫断路器型号为LW3G-12/T630-20,额定电流-开断电流 630A-20kA,配电动弹簧操动机构,操作电压DC24V。对地绝缘电阻大于1000MΩ。本断路器具有以下结构优势:
a.断路器箱体材料采用标称厚度3mm 的304不锈钢,防护等级不低于IP67;
b.壳体上设计有在地面易观察的明显的分、合闸位置指示器,指示器与操作机构可靠连接,指示动作可靠。
c.壳体表面平整,不会长期存水。
d.壳体具备搬运把手,可避免拽拉出线套管。
e.配置吊用的吊环,可使悬吊中的开关设备保持水平,吊链与任何部件之间没有摩擦接触,避免在吊装过程中划伤箱体表面喷涂层。
f.铭牌采用304不锈钢制作,能耐腐蚀、并且保证使用过程中清晰可见,铭牌内容符合国家相关标准要求。
断路器结构见图1.


